长辈版
无障碍
繁体中文
您的位置:
首页
> 蒿沟镇人民政府
>
食品药品监管领域
>
行政审批
>
食品经营许可基本信息
信息分类:
内容分类:
食品经营许可基本信息
发文日期:
2022-12-03 11:06:20
生成日期:
2022-12-03 11:06:20
生效时间:
废止时间:
发布机构:
蒿沟镇人民政府
文 号:
名 称:
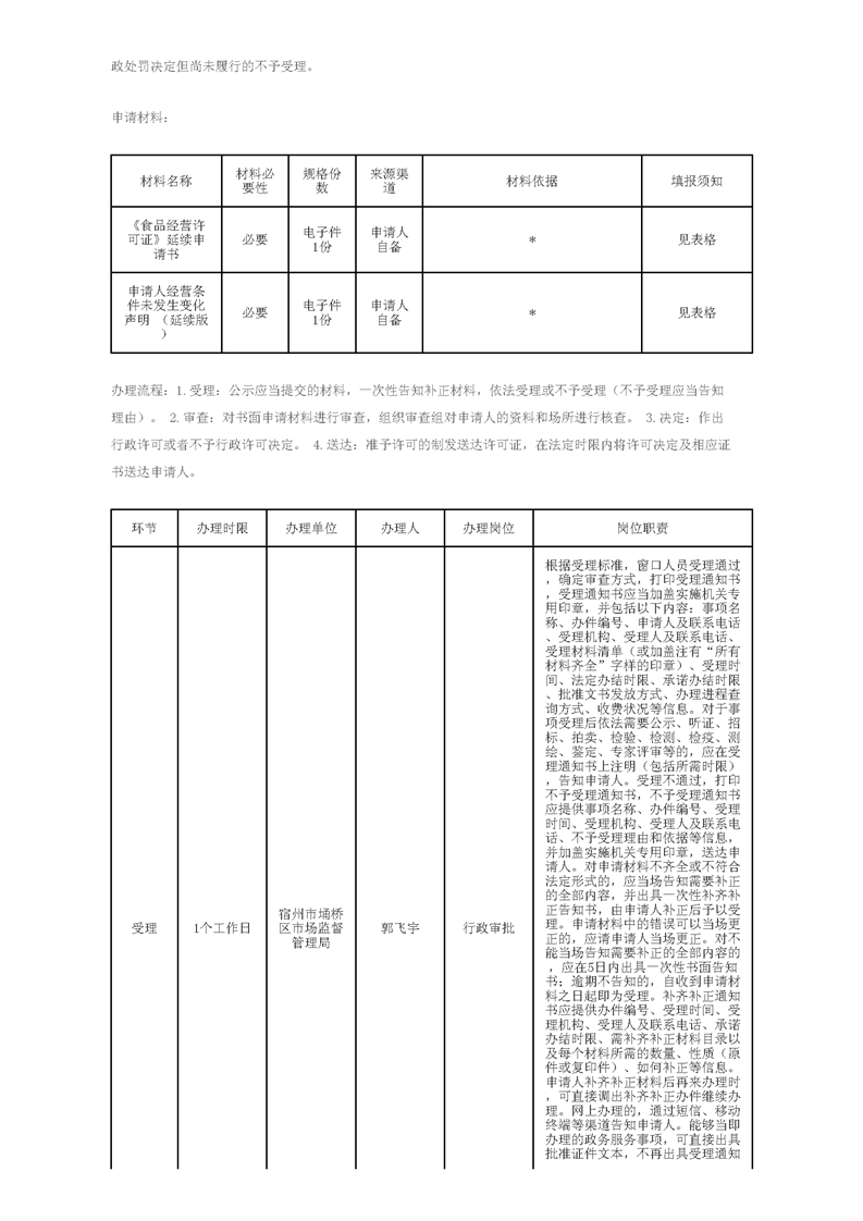
埇桥区食品经营许可证延续
关
键
词:
埇桥区食品经营许可证延续
文章来源: 蒿沟镇人民政府
浏览量:
发表时间:2022-12-03 11:06
责任编辑: 蒿沟镇人民政府
字体大小:
【
大
中
小
】
map